
After having to give up pyrotechnics, I needed a new hobby. Halloween props allow for mechanical, electronic, and artistic expression, plus they're fun. This page will show different projects and eventually haunts from various years.
I got a lot of really good information from Dave Korr at Halloween2go.com. If you're new to haunting, there's a lot of detailed explanation on electronics, animatronics and pneumatics.
July 10, 2011
Re-constructing My FCG (Flying Crank Ghost) - Part 1
A couple of years ago, I built a flying crank ghost as described on the (now defunct) site, Phantasmechanics.com. It's a great prop that reqires relatively few parts. The original site is gone, but I had the foresight to save all the related files, so I put an archived copy here. I have plans to expand the effect in various ways, but to start, I decided to tear it down and re-build it with some minor improvements to the ghost itself (it was getting a liitle weather-worn anyway). There's a little more detailed explanation at HalloweenForum.com. I've split this into three parts: the head, the body, and the Pepper's effect. Here's what I did for part 1:
This was my original ghost. As you can see, there's no paint on the frame and the ghost is yellowed from the UV paint and spray glue I used. The head and face needed improvement as well.
Originally I had left the styrofoam head pretty much as it was, with some simple cutouts for eyes and a mouth. It looked OK, but I wanted to creep it up a bit.

After a lot of work with my Dremmel, and a lot of styrofoam dust, I had carved the form into a fairly good skull. I left the neck because the opening for the mounting wire ran through it.
I cut off and carved the jaw seperately with plans to have it move. There are no teeth at this point.

Next, I mounted the jaw on a pivot rod and installed some teeth using leftover chunks of styrofoam from the carving.
I hollowed out the cranium and ran a control rod (straightened paperclip) up inside from the middle of the jaw. Here it is ready for the control servo.

Here's the servo inside the cranium. The additional wires you see are for the green LED eyes. You'll notice I've also applied a base coat of grey latex paint to protect the styrofoam from the black and UV spray paint I'll be using later.

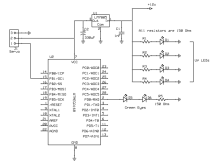
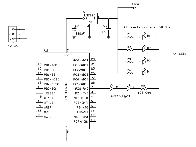
Here's the schematic for the circuit that will control the jaw and eyes. It's built around an ATMEGA168 microcontroller and will slowly open and close the jaw as well as pulse the eyes. The code can be found here. The UV LEDs are for additional lighting.

The last step for the head was to build the circuit board. It's pretty straight forward with a 5V power regulator, the MCU, and resistors for the LEDs. It will be powered by 12 volts from a converted computer power supply.

Here's a video of the jaw in action. Don't forget to check out part 2.
Other Projects
The final part of my FCG project - November 4, 2011Re-constructing my FCG - Part 2 - July 24, 2011
A corpse I made from a skull model and latex - October 19, 2005